HC-49S晶振为什么要使用绝缘垫片?下面扬兴科技为大家讲解一下HC-49S直插晶振,这款直插49S特点是2P金属封装,具有高精度、高频率稳定性和可靠性;而且针对不同行业的温度要求,该产品可达工业级温度。
大家可能会觉得为什么是以HC来命名呢?这个名称由来要从晶体的固定架说起,之前刚开始使用晶振的时候是需要固定架的,固定架英文是Holder Crystal,HC取自英文头两个字面的缩写,固定架的尺寸要与晶体的封装尺寸配合,现在基本都已经不用固定架了,只留下HC简称,一直沿用到现在。
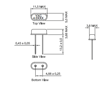
初步了解了HC-49S的封装形式,相关其他参数也简单的说明一下,该产品的频率范围一般在3.579MHZ~54MHZ,体积11.5*3.68mm,广泛运用于读卡器、安防、路由器、交换机封常用设备。
那么这款HC-49S为什么要安装绝缘垫片,到底有什么效果?扬兴科技继续为你解答,因为安装绝缘垫片可以间接起到一个保护作用。
是怎样的保护作用?大家都知道晶振的本质是用石英晶体做成的,晶振的起振是跟晶体压电效应有关,两个片状的表面镀导电材料引出导线或接点;外部接入电压时,两边表面的总是分别带相反的电荷;如果不使用绝缘垫片,在电路板中会造成短路和不起震的现象。无源晶体需要用数字信号处理DSP片内的振荡器,无源晶体没有电压的,信号电平是可变的,也就是说是根据起振电路来决定的,(关于晶振封装可以查看YXC扬兴官网《贴片晶振的封装和价格》)
无源晶体通常需要精确匹配外围电路(用于信号匹配的电容、电感、电阻等),更换不同频率的晶体时周边配置电路需要做相应的调整。晶振要在能够自由震动的外壳内工作,直插晶振一般通过引线焊接。这里要注意一下:有一种是贴片晶振,外壳不会影响自由震荡,可以直接接触到线路板上的两个接地通孔焊盘。如果不是贴片晶振不可以直接接触到线路板上的两个接地通孔焊盘。但可以夹持到弹性良好的两个导电电极之间,在非焊接状态使用。
绝缘垫片间接起到一个保护作用,路边上的树到了冬天的时候会刷白色的石灰为了防冷。刚运动完的健身爱好者拉伸胫骨为了防止运动过量所带来的酸痛。机器使用一段时间过后需要进行保养。诸如此类生活中各种各样为了防护而做的措施,而这些都是为了使我们产品发挥最大的性能。
推荐阅读

